(成都)恩瑞特药业有限公司环保信息公示
(成都)恩瑞特药业有限公司环保信息公示
一、公司环保情况
(成都)恩瑞特药业有限公司成立于2011年,是(成都)麦哈特医疗有限公司的全资子公司。(成都)恩瑞特药业有限公司主要从事枸地氯雷他定胶囊生产及枸地氯雷他定中试研究。该项目位于桃花工业园文山路以西、长古路以北,占地面积约18亩,已建设完成并投入使用有制剂楼、质检中心、研发中心、锅炉房、危险品库。
公司于2011年底委托安徽省科学技术咨询中心编制了环境影响报告书,2012年3月8日获得(成都)市环境保护局批复(环建审【2012】48号)。建设工程环保设施与主体工程同时投入运行,于2014年12月向(成都)市环境保护局申请环保验收,并于2015年1月22日获得竣工环保验收批复(合环验【2015】27号)。
二、公司主要工艺及污染源情况
以枸地氯雷他定与淀粉、磷酸氢钙、预胶化淀粉、微粉硅胶等经过预混、制粒、整粒、批混、胶囊填充等工序最终得到胶囊产品。整个过程污染源很少,主要胶囊充填产生含活性成分药用辅料和内包产生不合格胶囊板,原辅料粉碎过程产生含尘废气以及生产、生活污水。
三、环保设施
公司建有一套50吨/天污水处理系统,生活污水和生产污水经公司污水处理站处理达标后排放。制剂车间设有三套布袋除尘器,含尘废气经处理合格汇总到一个排放口,高点排放。研发车间设有二套布袋除尘器,含尘废气经处理合格汇总到一个排放口,高点排放。污水处理站产生废气经活性炭吸附处理后达标排放。
四、公司环保自查及自评情况
公司通过自查没有废水废气未处理情况,环保设施和生产设施同步正常运行,设备工程部做好各环保设施巡检、维护、保养。公司建立健全各项环保制度,由专人负责环保管理,并接受周边群众及上级主管部门的巡查。
五、污染物排放检测情况
排放合格标准:
废水排放执行标准 单位:mg/l
|
标准 |
COD |
pH |
氨氮 |
SS |
BOD |
|
经开区污水厂接管标准 |
330 |
6-9 |
20 |
200 |
160 |
废气排放标准 单位:mg/m3
|
标准 |
污染物 |
排放浓度限值(mg/m3) |
排放高度 |
排放速率 |
无组织排放监控浓度限值 (mg/m3) |
|---|---|---|---|---|---|
|
(m) |
(kg/h) |
||||
|
GB12348-2008《锅炉大气污染物排放标准》Ⅱ时段二类区标准 |
烟尘 |
50 |
15 |
/ |
/ |
|
SO2 |
100 |
15 |
/ |
/ |
|
|
NOx |
400 |
15 |
/ |
/ |
|
|
GB16297-1996《大气污染物综合排放标准》中二级标准要求 |
颗粒物 |
120 |
15 |
3.5 |
1.0 |
噪声监测标准
|
污染类别 |
厂界噪声 |
|
|
执行标准 |
GB12348-2008 2类标准 |
|
|
单位 |
dB(A) |
|
|
项目 |
噪声 |
|
|
标准值 |
昼间 |
夜间 |
|
60 |
50 |
|
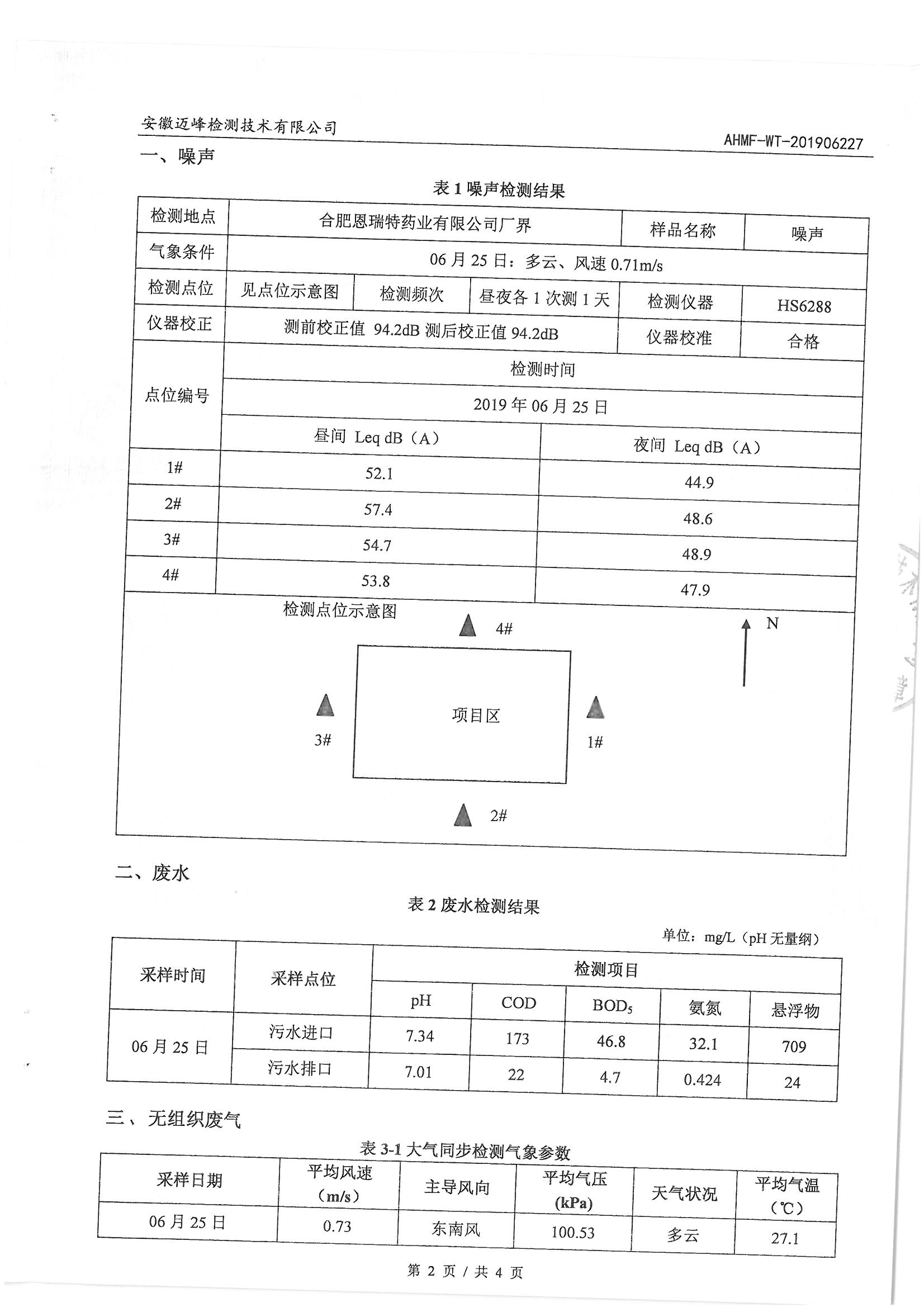
公司委托安徽迈峰检测技术有限公司每季度对公司排放污染物进行检测,检测结果如下:





相关新闻